欢迎来到河北安博线上官网(集团)官方网站索具集团官网!
服务热线:0312-8156666

您当前所在的位置:主页 > 产品中心 链条连接件系列
CHAIN LINK SERIES
链条连接件系列

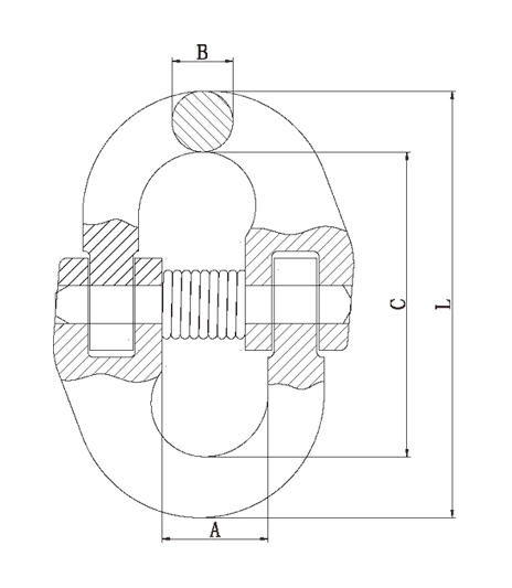
80级美式双环扣

80级美式双环扣

全国咨询热线:400-0312-400

更多联系方式
-产品详情- -产品参数-

产品参数

相关产品

创造客户价值 助力客户成功

<安博线上官网(集团)官方网站>凭借着高新的技术、优异的品质及良好的服务赢得了客户点赞,在国内外众多企业大放异彩!

冀ICP备08100751号-1/冀公网安备 13060802000198号